2LQFW系列冷却器

2LQFW系列冷却器
上架时间:2025-10-10
产品描述:
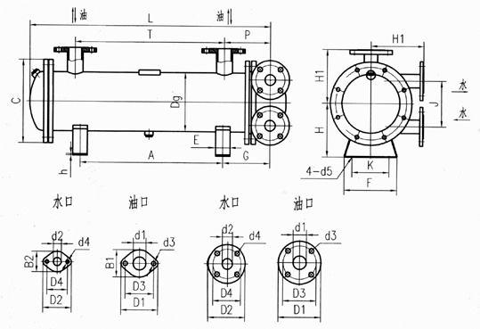
列管式冷却器由两只相同面积的冷油器和三通阀装置构成,一只工作,一只备用,每个冷却器能承担整个系统的冷却负荷,管板一头固定,一头浮动、可拆卸的管束和水室箱盖,便于运行过程中清洗、检查和维修。冷却器的材质...
列管式冷却器由两只相同面积的冷油器和三通阀装置构成,一只工作,一只备用,每个冷却器能承担整个系统的冷却负荷,管板一头固定,一头浮动、可拆卸的管束和水室箱盖,便于运行过程中清洗、检查和维修。冷却器的材质,根据使用场所、水系统条件可有多种选择。
一:2LQFW型冷却器尺寸示意图


| 型号 | A0.5F | A0.65F | A0.8F | A1.0F | A1.2F | A1.46F | A1.7F | A2.1F | A2.5F | A3.0F | A3.6F | A4.3F | A5.0F | A6.0F | A7.2F | A8.5F | A10F | A12F | A14F | A16F |
| 换热面积 | 0.5 | 0.65 | 0.8 | 1.0 | 1.2 | 1.46 | 1.7 | 2.1 | 2.5 | 3.0 | 3.6 | 4.3 | 5.0 | 6.0 | 7.2 | 8.5 | 10 | 12 | 14 | 16 |
| A | 345 | 470 | 595 | 440 | 565 | 690 | 460 | 610 | 760 | 540 | 665 | 815 | 540 | 690 | 865 | 575 | 700 | 875 | 875 | 875 |
| K | 90 | 90 | 90 | 104 | 104 | 104 | 120 | 120 | 120 | 140 | 140 | 140 | 170 | 170 | 170 | 230 | 230 | 230 | 230 | 230 |
| E | 40 | 40 | 40 | 40 | 45 | 45 | 50 | 50 | 50 | 55 | 55 | 55 | 60 | 60 | 60 | 65 | 65 | 65 | 65 | 65 |
| F | 140 | 140 | 140 | 160 | 160 | 160 | 180 | 180 | 180 | 210 | 210 | 210 | 250 | 250 | 250 | 320 | 320 | 320 | 320 | 320 |
| d5 | 11 | 11 | 11 | 14 | 14 | 14 | 14 | 14 | 14 | 14 | 14 | 14 | 14 | 14 | 14 | 18 | 18 | 18 | 18 | 18 |
| Dg | 14 | 114 | 114 | 150 | 150 | 150 | 186 | 186 | 186 | 219 | 219 | 219 | 245 | 245 | 245 | 325 | 325 | 325 | 325 | 325 |
| H | 115 | 115 | 115 | 140 | 140 | 140 | 165 | 165 | 165 | 200 | 200 | 200 | 240 | 240 | 240 | 280 | 280 | 280 | 280 | 280 |
| J | 42 | 42 | 42 | 47 | 47 | 47 | 52 | 52 | 52 | 85 | 85 | 85 | 95 | 95 | 95 | 105 | 105 | 105 | 105 | 105 |
| H1 | 95 | 95 | 95 | 115 | 115 | 115 | 140 | 140 | 140 | 200 | 200 | 200 | 240 | 240 | 240 | 280 | 280 | 280 | 280 | 280 |
| L | 545 | 670 | 790 | 680 | 805 | 930 | 740 | 890 | 1040 | 870 | 995 | 1145 | 920 | 1070 | 1245 | 1000 | 1125 | 1300 | 1300 | 1527 |
| G | 100 | 100 | 100 | 115 | 115 | 115 | 140 | 140 | 140 | 175 | 175 | 175 | 205 | 205 | 205 | 220 | 220 | 220 | 220 | 220 |
| P | 93 | 93 | 93 | 105 | 105 | 105 | 120 | 120 | 120 | 170 | 170 | 170 | 190 | 190 | 190 | 210 | 210 | 210 | 210 | 210 |
| T | 357 | 482 | 607 | 460 | 585 | 710 | 500 | 650 | 800 | 565 | 690 | 840 | 570 | 720 | 895 | 590 | 715 | 890 | 890 | 1038 |
| C | 186 | 186 | 186 | 220 | 220 | 220 | 270 | 270 | 270 | 308 | 308 | 308 | 340 | 340 | 340 | 406 | 406 | 406 | 406 | 406 |
| 法兰 | 椭圆 | 圆形 | ||||||||||||||||||
| d1 | 25 | 25 | 25 | 32 | 32 | 32 | 40 | 40 | 40 | 50 | 50 | 50 | 65 | 65 | 65 | 80 | 80 | 80 | 80 | 80 |
| D1 | 90 | 90 | 90 | 100 | 100 | 100 | 118 | 118 | 118 | 160 | 160 | 160 | 180 | 180 | 180 | 195 | 195 | 195 | 195 | 195 |
| D3 | 65 | 65 | 65 | 75 | 75 | 75 | 90 | 90 | 90 | 125 | 125 | 125 | 145 | 145 | 145 | 160 | 160 | 160 | 160 | 160 |
| d3 | 11 | 11 | 11 | 11 | 11 | 11 | 14 | 14 | 14 | 18 | 18 | 18 | 18 | 18 | 18 | 8*18 | 8*18 | 8*18 | 8*18 | 8*18 |
| d2 | 20 | 20 | 20 | 25 | 25 | 25 | 32 | 32 | 32 | 40 | 40 | 40 | 50 | 50 | 50 | 65 | 65 | 65 | 65 | 65 |
| D2 | 80 | 80 | 80 | 90 | 90 | 90 | 100 | 100 | 100 | 145 | 145 | 145 | 160 | 160 | 160 | 180 | 180 | 180 | 180 | 180 |
| D4 | 55 | 55 | 55 | 65 | 65 | 65 | 75 | 75 | 75 | 110 | 110 | 110 | 125 | 125 | 125 | 145 | 145 | 145 | 145 | 145 |
| d4 | 11 | 11 | 11 | 11 | 11 | 11 | 11 | 11 | 11 | |||||||||||
- 上一个:2LQFL系列冷却器
- 下一个:2LQG2W系列冷却器
