SL系列管式冷却器

SL系列管式冷却器
上架时间:2025-10-10
产品描述:
一:型号说明SL型管式冷却器是引进日本技术制造的产品,冷却管采用紫铜管轧制的散热片,体积小、换热面积大;采用螺旋导流板,使油流形成螺旋形均匀连接流动,克服了传动折流产生的换热死角,换热效率高,压力损失小...
一:型号说明
SL型管式冷却器是引进日本技术制造的产品,冷却管采用紫铜管轧制的散热片,体积小、换热面积大;采用螺旋导流板,使油流形成螺旋形均匀连接流动,克服了传动折流产生的换热死角,换热效率高,压力损失小。
该冷却器水流有二流程和四流程两种,油流有大流量(导流板大导程)和小流量(导流板小导程)两种。可根据要求选配。

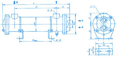
二:SL型管式冷却器外型尺寸图

三:性能参数
冷却水:淡水 ??油侧使用压力:<=1MPa 水侧使用压力:<=0.5mpa<>
选用方法:计算交换的热量Q
根据油液温度要求和流量计算 Q=cpq(T1-T2)
式中 c - 油的比热容 ??p - 油密度 ??q - 油流量 ??T1 - 油的入口温度 ??T2-油出口温度
根据液压系统发热量计算
| 型号\\尺寸 | A | C | D | E | G | H | J | K | L | M | N | P | Q | R | S | T | 质量/kg |
| SL-303 | 309 | 45 | 152 | 107 | 81 | 87 | 35 | 15 | 95 | 56 | 11*20 | 62 | 120 | 87.9 | Rc3/4 | Rc3/4 | 5.5 |
| SL-304 | 381 | 224 | 179 | 6 | |||||||||||||
| SL-305 | 453 | 296 | 251 | 6.5 | |||||||||||||
| SL-307 | 597 | 440 | 395 | 7 | |||||||||||||
| SL-309 | 741 | 584 | 539 | 8 | |||||||||||||
| SL-311 | 885 | 728 | 683 | 9 | |||||||||||||
| SL-408 | 469 | 60 | 284 | 240 | 95 | 125 | 50 | 20 | 160 | 110 | 18*22 | 87 | 150 | 114.3 | Rc1 1/4 | Rc3/4 | 13 |
| SL-411 | 613 | 428 | 384 | 16 | |||||||||||||
| SL-415 | 757 | 572 | 528 | 18 | |||||||||||||
| SL-418 | 901 | 716 | 672 | 21 | |||||||||||||
| SL-421 | 1045 | 860 | 816 | 24 | |||||||||||||
| SL-509 | 484 | 70 | 270 | 206 | 121 | 160 | 50 | 20 | 180 | 120 | 18*25 | 105 | 180 | 139.8 | Rc1 1/2 | Rc1 | 24 |
| SL-518 | 638 | 406 | 342 | 26 | |||||||||||||
| SL-526 | 854 | 662 | 558 | 31 | |||||||||||||
| SL-534 | 1070 | 838 | 774 | 36 | |||||||||||||
| SL-542 | 1286 | 1054 | 990 | 42 |
- 上一个:SGLL系列双联卧式冷却器
